কার্বন ইস্পাত সিলিং ক্লিঞ্চ বাদাম হ'ল পাতলা প্লেট বা শীট ধাতু সংযোগ করার জন্য ব্যবহৃত এক ধরণের ফাস্টেনার। এগুলি কার্বন ইস্পাত দিয়ে তৈরি, মেজাজযুক্ত এবং কঠোরতা বাড়ানোর জন্য নিভে যায় এবং পৃষ্ঠটি গ্যালভানাইজড বা অন্যথায় জারা-প্রতিরোধী করা হয়।
সিলিং ক্লিঞ্চিং বাদামটি বেশ সোজা, আপনি স্ট্যান্ডার্ড বায়ুসংক্রান্ত বা হাইড্রোলিক ক্লিঞ্চিং সরঞ্জামগুলি ব্যবহার করতে পারেন। এটি কীভাবে কাজ করে তা এখানে: প্রথমে বাদামকে একটি প্রাক-পাঞ্চযুক্ত গর্তে রাখুন, তারপরে চাপ প্রয়োগ করতে একটি পাঞ্চ এবং ডাই সেট ব্যবহার করুন। ডাই বাদামের ক্লিঞ্চ কলারের চারপাশে শীট ধাতু টিপে, একটি দ্রুত পদক্ষেপে একটি শক্ত যান্ত্রিক লক তৈরি করে।
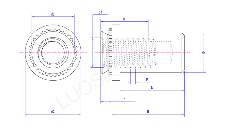
| সোম | এম 3-1 | এম 3-2 | এম 4-1 | এম 4-2 | এম 5-1 | এম 5-2 | এম 6-1 | এম 6-2 |
| P | 0.5 | 0.5 | 0.7 | 0.7 | 0.8 | 0.8 | 1 | 1 |
| ডিএস ম্যাক্স | 3.84 | 3.84 | 5.2 | 5.2 | 6.35 | 6.35 | 8.75 | 8.75 |
| ডিসি ম্যাক্স | 4.2 | 4.2 | 5.38 | 5.38 | 6.33 | 6.33 | 8.73 | 8.73 |
| বি মিনিট | 5.3 | 5.3 | 7.1 | 7.1 | 7.1 | 7.1 | 7.8 | 7.8 |
| এইচ সর্বোচ্চ | 0.91 | 1.38 | 0.97 | 1.38 | 0.97 | 1.38 | 1.38 | 1.38 |
| এইচ সর্বোচ্চ | 9.85 | 9.85 | 11.45 | 11.45 | 11.45 | 11.45 | 14.55 | 14.55 |
| এইচ মিনিট | 9.35 | 9.35 | 10.95 | 10.95 | 10.95 | 10.95 | 14.05 | 14.05 |
| কে ম্যাক্স | 8.5 | 8.5 | 9.8 | 9.8 | 9.8 | 9.8 | 12.7 | 12.7 |
| ডি 2 সর্বোচ্চ | 6.6 | 6.6 | 8.2 | 8.2 | 9 | 9 | 11.35 | 11.35 |
| ডি 2 মিনিট | 6.1 | 6.1 | 7.7 | 7.7 | 8.5 | 8.5 | 10.85 | 10.85 |
| ডি 1 | এম 3 | এম 3 | এম 4 | এম 4 | এম 5 | এম 5 | এম 6 | এম 6 |
কার্বন ইস্পাত সিলিং ক্লিঞ্চিং বাদামগুলি মূল পরিমাপ দ্বারা সংজ্ঞায়িত করা হয়: থ্রেডের আকার (যেমন এম 4, এম 5, এম 6, বা 1/4 "-20), ক্লিঞ্চ কলার ব্যাস, মোট উচ্চতা, সিলিং ওয়াশার ডাইমেনশনস এবং শিটের বেধের পরিসীমা তারা (মিনিট এবং সর্বোচ্চ উভয়) দিয়ে কাজ করে। আপনি এগুলি স্ট্যান্ডার্ড মেট্রিক বা সাম্রাজ্য থ্রেডগুলিতে পেতে পারেন।
তাদের ক্লিঞ্চ শক্তি (তারা কতটা ভালভাবে ধাক্কা দেওয়া বা বাঁকানো থেকে বিরত থাকে) শিল্পের মানগুলির বিরুদ্ধে পরীক্ষা করা হয় (ভাবেন আইএসও, ডিআইএন, আইএফআই)। সঠিক আকার বাছাই করা একটি বড় বিষয়, এটি নিশ্চিত করে যে সিলটি ধারণ করে এবং বাদাম কাজের জন্য যথেষ্ট শক্তিশালী।
কার্বন ইস্পাত সিলিং ক্লিঞ্চিং বাদাম ইনস্টল করতে, আপনার একটি বিশেষ ক্লিনচিং সরঞ্জাম এবং ডাই সেট প্রয়োজন যা বাদামের আকারের সাথে ঠিক মেলে। প্রথমে বাদামটি শীট ধাতুতে একটি প্রাক-পাঞ্চযুক্ত গর্তে রাখুন। তারপরে সরঞ্জামটি নিয়ন্ত্রিত চাপ প্রয়োগ করে, যা বাদামের পাইলট এবং নুরলকে আশেপাশের ধাতব ডুবিয়ে তোলে। এই ঠান্ডা-গঠনের প্রক্রিয়াটি স্টেইনলেস স্টিল বাদামকে ভাল এবং একই সাথে লক করে রাখে, এটি প্যানেলের বিরুদ্ধে অন্তর্নির্মিত সিলিং ওয়াশারকে স্কুইশ করে। এভাবেই এটি ফাঁস-প্রমাণ সিল তৈরি করে যা এই বাদামগুলিকে অনন্য করে তোলে।
