স্ব -অ্যাঙ্করিং এক্সপেনশন বোল্টগুলি মূলত স্ক্রু, সম্প্রসারণ টিউব, বাদাম এবং অন্যান্য অংশ দ্বারা গঠিত। ইনস্টলেশন চলাকালীন, বাদাম শক্ত করে, স্ক্রু বোরিহোলের অভ্যন্তরে প্রসারিত করতে সম্প্রসারণ টিউবটিকে চালিত করবে, এইভাবে এটি দৃ ly ়ভাবে প্রাচীর বা অন্যান্য বেস পৃষ্ঠের দিকে স্থির করে।
	
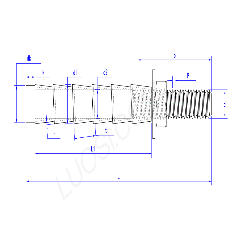
| সোম | এম 6 | এম 8 | এম 10 | এম 12 | এম 16 | এম 20 | এম 22 | এম 24 | 
| P | 1 | 1.25 | 1.5 | 1.75 | 2 | 2.5 | 2.5 | 3 | 
| ডি কে ম্যাক্স | 10 | 12 | 14 | 16 | 20 | 24 | 26 | 28 | 
| ডি কে মিন | 9 | 11 | 13 | 15 | 19 | 23 | 25 | 27 | 
| এল 1 | 45 | 60 | 70 | 75 | 100 | 125 | 150 | 180 | 
| k | 5 | 5 | 5 | 5 | 5 | 5 | 5 | 5 | 
| ডি 1 | 9.8 | 11.8 | 13.8 | 15.8 | 19.8 | 23.8 | 25.8 | 27.8 | 
| ডি 2 | 6.2 | 8.2 | 10.2 | 12.2 | 16.2 | 20.2 | 22.2 | 24.2 | 
| h | 0.6 | 0.8 | 0.8 | 0.8 | 0.9 | 1 | 1 | 1.2 | 
| t | 10 | 12 | 12 | 14 | 14 | 16 | 16 | 20 | 
| L | 65 | 85 | 100 | 110 | 150 | 200 | 250 | 300 | 
	
স্ব-অ্যাঙ্করিং এক্সপেনশন বল্ট দৃ concrete ়ভাবে কংক্রিট বা রাজমিস্ত্রি কাঠামোতে অবজেক্টগুলি অ্যাঙ্কর করতে পারে। আপনাকে কেবল গর্তগুলি ড্রিল করতে হবে, বল্টগুলি সন্নিবেশ করতে হবে এবং তারপরে বাদামগুলি শক্ত করতে হবে। শক্ত হয়ে গেলে, বল্টটি নিজেই গর্তের মধ্যে প্রসারিত হবে। এটি সাধারণত শঙ্কুটিকে হাতাতে টান দিয়ে গঠিত হয়, যার ফলে দৃ firm ় যান্ত্রিক লক তৈরি করা হয় এবং দৃ firm ়ভাবে এটি প্রাচীরের সাথে ঠিক করে।
	
স্ব -অ্যাঙ্করিং এক্সপেনশন বোল্টগুলি ইনস্টল করা খুব সহজ: সঠিক আকারের গর্তগুলি ড্রিল করুন, ধুলো সরিয়ে ফেলুন, একটি হাতুড়ি দিয়ে বোল্টগুলি নক করুন এবং তারপরে একটি রেঞ্চ দিয়ে বাদাম শক্ত করুন। শক্ত করার প্রক্রিয়া চলাকালীন, সম্প্রসারণ প্রক্রিয়াটি বেস উপাদানটি খুলতে এবং দৃ firm ়ভাবে উপলব্ধি করতে বাধ্য হয়। এটি একটি সরাসরি "ইনস্টল করুন এবং শক্ত করুন" প্রক্রিয়া যা দৃ firm ় স্থিরকরণ অর্জন করতে পারে।
	
উদাহরণস্বরূপ, কংক্রিটের প্রাচীরের বন্ধনীটি ঠিক করুন, মেঝেতে যান্ত্রিক বেসটি ঠিক করুন, হ্যান্ড্রেলটি ঠিক করুন বা ফাউন্ডেশনে কলামটি ঠিক করুন। এগুলি শক্ত কংক্রিট, ইট বা ব্লকগুলিতে মাঝারি থেকে ভারী ক্রিয়াকলাপের জন্য অত্যন্ত উপযুক্ত, যেখানে আপনাকে ভিত্তি তৈরি হওয়ার পরে একটি শক্তিশালী এবং বিচ্ছিন্ন অ্যাঙ্কর পয়েন্ট যুক্ত করতে হবে।
	
স্ব -অ্যাঙ্করিং এক্সপেনশন বোল্টের শক্তিশালী অভিযোজনযোগ্যতা রয়েছে। এটি বিভিন্ন বেস প্লেনের সাথে শক্তিশালী অভিযোজনযোগ্যতা রয়েছে। এটি কংক্রিটের প্রাচীর, একটি ইটের প্রাচীর বা কিছু কাঠের কাঠামো, যতক্ষণ না উপযুক্ত গর্তগুলি ড্রিল করা হয় ততক্ষণ এটি খুব ভাল অ্যাঙ্করিংয়ের ভূমিকা নিতে পারে। তদুপরি, এটি বিভিন্ন স্পেসিফিকেশনে আসে। প্রকৃত ইনস্টলেশন প্রয়োজনীয়তা এবং বেস পৃষ্ঠের অবস্থা অনুসারে, বিভিন্ন ইনস্টলেশন পরিস্থিতি পূরণের জন্য উপযুক্ত আকারটি নির্বাচন করা যেতে পারে।
	