ফাস্টনারের জন্য কাঁধের ধরন আই বোল্ট গ্রেডগুলি শক্তি এবং উপাদানের মান দ্বারা সংজ্ঞায়িত করা হয়, নিরাপদ উত্তোলনের জন্য গুরুত্বপূর্ণ। সাধারণ গ্রেডের মধ্যে রয়েছে 4.8, 8.8, 10.9, এবং 12.9 কার্বন ইস্পাত ভেরিয়েন্টের জন্য- বেশি সংখ্যার মানে হল বৃহত্তর প্রসার্য শক্তি। গ্রেড 4.8 হোম ডিআইওয়াইয়ের মতো হালকা-শুল্ক কাজের জন্য উপযুক্ত, যখন 8.8 সাধারণ শিল্প ব্যবহারের জন্য কাজ করে। উচ্চ-শক্তি 10.9 এবং 12.9 গ্রেড নির্মাণ বা যন্ত্রপাতি ভারী লোড পরিচালনা করে।
স্টেইনলেস স্টিলের সংস্করণগুলি প্রায়শই A4 (316) বা A2 (304) গ্রেড অনুসরণ করে, সামুদ্রিক/রাসায়নিক পরিবেশের জন্য জারা প্রতিরোধকে অগ্রাধিকার দেয়। নকল খাদ ইস্পাত গ্রেড চরম উত্তোলন জন্য উচ্চতর স্থায়িত্ব প্রস্তাব. প্রতিটি গ্রেড লোড রেটিং দ্বারা চিহ্নিত করা হয়, উদ্দেশ্যযুক্ত অ্যাপ্লিকেশনের সাথে সামঞ্জস্য এবং নিরাপত্তা সম্মতি নিশ্চিত করে।
একটি শোল্ডার টাইপ আই বোল্টের গুণমান নিয়ন্ত্রণ মানে এটি নিরাপদ এবং সঠিকভাবে কাজ করছে তা নিশ্চিত করতে পুঙ্খানুপুঙ্খ পরীক্ষা করা। এই প্রক্রিয়াটিতে সাধারণত উপাদানের গ্রেড সঠিক কিনা তা নিশ্চিত করা, থ্রেডগুলি সঠিক কিনা তা পরীক্ষা করা এবং ওয়ার্কিং লোড লিমিট (WLL) নিশ্চিত করতে লোড পরীক্ষা চালানো জড়িত। ডিআইএন বা আইএসও-এর মতো মানগুলির সাথে মাত্রা মেলে কিনা তাও তারা পরীক্ষা করে। চোখের বোল্টের প্রতিটি ব্যাচ খুঁজে পাওয়া উচিত, এবং আপনি এটি কীভাবে ব্যবহার করবেন তার প্রয়োজনীয়তা পূরণ করে তা প্রমাণ করার জন্য আপনি একটি শংসাপত্র পাবেন।

প্রশ্ন: আমি কীভাবে সঠিকভাবে একটি শোল্ডার টাইপ আই বোল্ট ইনস্টল করব? একটি স্ট্যান্ডার্ড বোল্টের জন্য, এটিকে পুরোটা স্ক্রু করুন সোজা একটি ট্যাপড গর্তে - নিশ্চিত করুন যে চোখের কাঁধটি পৃষ্ঠকে স্পর্শ করে। একটি কোণে টানলে এটির নিরাপদ কাজের ভার সম্পূর্ণভাবে কমে যাবে এবং এটি বিপজ্জনক।

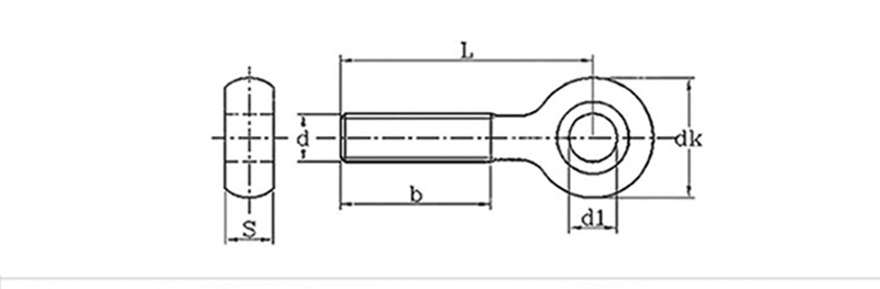
মিমি
থ্রেড ব্যাস
d1
dk
s
M6
5
10.5
5.4
M8
6
13
7
M10
8
16
8.5
M12
10
19
10.5
M14
10
22
12