বাড়ি > পণ্য > বাদাম > গোল বাদাম > স্লটেড বৃত্তাকার বাদাম
        স্লটেড বৃত্তাকার বাদাম
        • স্লটেড বৃত্তাকার বাদামস্লটেড বৃত্তাকার বাদাম
        • স্লটেড বৃত্তাকার বাদামস্লটেড বৃত্তাকার বাদাম

        স্লটেড বৃত্তাকার বাদাম

        চায়না Xiaoguo® স্লটেড বৃত্তাকার বাদাম বিভিন্ন কঠোর পরিবেশ সহ্য করতে সক্ষম এবং স্টেইনলেস স্টীল সামগ্রী সহজেই পরিচালনা করতে পারে। এটি পণ্যের অসামান্য জারা প্রতিরোধের। স্লটেড সার্কুলার বাদাম সরবরাহকারীরা আপনাকে উচ্চ-মানের পণ্য সরবরাহ করবে।

        অনুসন্ধান পাঠান

        পণ্যের বর্ণনা

        সমস্যা পরিচালনার পদ্ধতি

        Slotted বৃত্তাকার বাদামের সাধারণ সমস্যাগুলির বিষয়ে, এটি একটি পদ্ধতিগত হ্যান্ডলিং পদ্ধতি যা আপনাকে সমস্যাগুলি দ্রুত সনাক্ত করতে এবং সমাধান করতে সহায়তা করবে।

        (1) সমস্যাটি চিহ্নিত করুন

        ভিজ্যুয়াল পরিদর্শন: বাদামগুলি আলগা কিনা, থ্রেডগুলি মরিচা ধরেছে বা পিছলে গেছে কিনা এবং স্লটে কোনও ফাটল বা বিকৃতি আছে কিনা তা পরীক্ষা করুন।

        অনুভব পরীক্ষা: একটি নিরাপদ অবস্থায়, বাদামটিকে ম্যানুয়ালি ঘুরিয়ে দেখার চেষ্টা করুন এবং কোন সুস্পষ্ট প্রতিরোধ বা ঘূর্ণনগত ফাঁক আছে কিনা তা পর্যবেক্ষণ করুন।

        সরঞ্জামের প্রতিক্রিয়া: কোনও অস্বাভাবিক কম্পন, অস্বাভাবিক শব্দ বা সরঞ্জামের অস্থির অপারেশন আছে কিনা সেদিকে মনোযোগ দিন।

        পেশাদার টুল: টর্ক রেঞ্চ ব্যবহার করে এলোমেলো পরিদর্শন পরিচালনা করুন।

        (2) ত্রুটি নির্ণয়

        বাদাম আলগা।

        স্ক্রু বন্ধ হবে না.

        থ্রেড পরিধান

        বাদাম ভেঙ্গে গেছে।

        স্লট ক্ষতি

        (3) মেরামত করা

        সরাসরি মেরামত: আলগা অংশ এবং গৌণ মরিচা জন্য, তৈলাক্তকরণ এবং পুনরায় শক্ত করা সরাসরি সঞ্চালিত করা যেতে পারে।

        নতুন অংশ দিয়ে প্রতিস্থাপন করুন: গুরুতরভাবে জীর্ণ থ্রেড, ক্ষতিগ্রস্ত বা ভাঙা খাঁজ সহ বাদামগুলির জন্য সরাসরি প্রতিস্থাপন করা উচিত।

        স্ট্যান্ডার্ড অপারেটিং পদ্ধতি: অপারেটিং করার সময়, সর্বদা সঠিক টুল ব্যবহার করুন এবং স্ট্যান্ডার্ড টর্ক অনুসরণ করুন।

        Slotted Circular Nut

        কোম্পানির উৎপাদন ক্ষমতা

        আমরা ভালভাবে সচেতন যে উন্নত উত্পাদন কৌশল এবং সরঞ্জামগুলি উচ্চ গুণমান এবং উচ্চ উত্পাদন ক্ষমতা নিশ্চিত করার ভিত্তি। অতএব, আমরা উন্নত ধাতু গঠনের কৌশল চালু করেছি। ছাঁচের মাধ্যমে, ধাতব রডগুলি বাদামের মৌলিক আকৃতি তৈরি করতে প্লাস্টিকের বিকৃতির শিকার হয় এবং দক্ষ এবং সুনির্দিষ্ট স্লটিং প্রক্রিয়াকরণ অর্জনের জন্য একটি স্বয়ংক্রিয় স্লটিং প্রক্রিয়া গ্রহণ করা হয়। ইন্টিগ্রেটেড প্রোডাকশন লাইনটি সম্পূর্ণ প্রক্রিয়াকে কাঁচামাল থেকে শেষ পণ্য পর্যন্ত স্বাধীনভাবে উৎপাদন করতে সক্ষম করে। একই সময়ে, আমরা স্লটেড সার্কুলার নাটের সমগ্র উৎপাদন প্রক্রিয়া নিরীক্ষণ এবং ট্র্যাক করার জন্য পরীক্ষার যন্ত্র এবং একটি পূর্ণ-প্রক্রিয়া মান নিয়ন্ত্রণ ব্যবস্থা দিয়ে সজ্জিত।

        Slotted Circular Nut

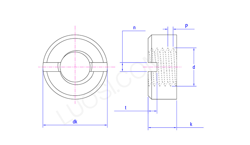
        সোম M3.5 M4 M5 M6 M8 M10 M12 M14 M16 M18 M20
        P 0.6 0.7 0.8 1 1.25 1.5 1.75 2 2 2.5 2.5
        dk সর্বোচ্চ 7 8 9 11 14 18 21 24 26 29 32
        dk মিনিট 6.64 7.64 8.64 10.57 13.57 17.57 20.48 23.48 25.48 28.48 31.38
        k সর্বোচ্চ 3 3.5 4.2 5 6.5 8 10 11 12 13 14
        k মিনিট 2.75 3.2 3.9 4.7 6.14 7.64 9.64 10.57 11.57 12.57 13.57
        n মিনিট 1.46 1.46 2.06 2.56 3.06 3.57 4.07 4.07 4.07 4.07 5.07
        n সর্বোচ্চ 1.71 1.71 2.31 2.81 3.31 3.87 4.37 4.37 4.37 4.37 5.37
        টি মিনিট 1 1.2 15 2 2.5 3.2 3.8 3.8 3.8 4.8 4.8
        t সর্বোচ্চ 1.40 1.60 1.90 2.4 3 3.7 4.3 4.3 4.3 5.5 5.5

        FAQ

        (1) স্লটেড বৃত্তাকার বাদামের জন্য সাধারণ স্ট্যান্ডার্ড স্পেসিফিকেশন কি?

        সাধারণ মানগুলির মধ্যে রয়েছে: GB/T 812 (চীনা জাতীয় মান), DIN 981 (জার্মান স্ট্যান্ডার্ড, প্রায়শই বিয়ারিং লক করার জন্য ব্যবহৃত হয়), DIN 1804, এবং ANSI/ABMA 8.2 (আমেরিকান স্ট্যান্ডার্ড) ইত্যাদি।

        (2) বাদাম কি পুনরায় ব্যবহার করা যায়?

        হ্যাঁ, যতক্ষণ না থ্রেড এবং বাদামের স্লটের মতো কাঠামো ক্ষতিগ্রস্ত না হয়, বাদামের বডি পুনরায় ব্যবহার করা যেতে পারে।

        (3) বাদামের জন্য প্রস্তাবিত রক্ষণাবেক্ষণের সময়কাল কী?

        এটি মাসে একবার একটি চেহারা পরিদর্শন পরিচালনা করার সুপারিশ করা হয়; এবং প্রতি ত্রৈমাসিকে পেশাদার সরঞ্জাম ব্যবহার করে একটি র্যান্ডম পুনরায় শক্তকরণ পরিদর্শন সম্পাদন করুন।

        (4) বাদাম স্পেসিফিকেশন নির্বাচন করার সময় সবচেয়ে গুরুত্বপূর্ণ তথ্য কি?

        সবচেয়ে গুরুত্বপূর্ণ ফ্যাক্টর হল থ্রেড স্পেসিফিকেশন (নামমাত্র ব্যাস × পিচ), এবং এটি শ্যাফটের থ্রেড স্পেসিফিকেশনের সাথে সম্পূর্ণ সামঞ্জস্যপূর্ণ কিনা তা নিশ্চিত করার জন্য পিচ (যেমন M16×1.5) যাচাই করা অপরিহার্য।


        হট ট্যাগ: স্লটেড সার্কুলার বাদাম, চীন, প্রস্তুতকারক, সরবরাহকারী, কারখানা
        সম্পর্কিত বিভাগ
        অনুসন্ধান পাঠান
        নীচের ফর্মে আপনার তদন্ত দিতে নির্দ্বিধায় দয়া করে. আমরা আপনাকে 24 ঘন্টার মধ্যে উত্তর দেব।
        X
        আমরা আপনাকে একটি ভাল ব্রাউজিং অভিজ্ঞতা দিতে, সাইটের ট্র্যাফিক বিশ্লেষণ করতে এবং সামগ্রী ব্যক্তিগতকৃত করতে কুকিজ ব্যবহার করি। এই সাইটটি ব্যবহার করে, আপনি আমাদের কুকিজ ব্যবহারে সম্মত হন। গোপনীয়তা নীতি
        প্রত্যাখ্যান করুন গ্রহণ করুন