|
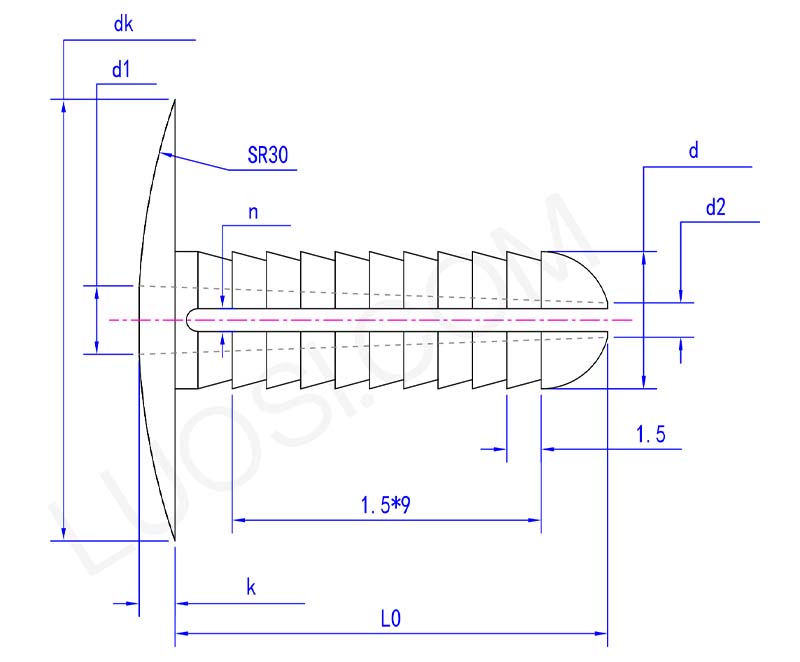
সোম |
Φ6 |
Φ8 |
Φ10 |
|
d সর্বোচ্চ |
6 | 8 | 10 |
|
d মিনিট |
5.8 | 7.8 | 9.8 |
|
dk সর্বোচ্চ |
16.2 | 16.2 | 18.2 |
|
dk মিনিট |
15.8 | 15.8 | 17.8 |
|
k সর্বোচ্চ |
1.6 | 1.6 | 2.1 |
|
k মিনিট |
1.4 | 1.4 | 1.9 |
|
L0 |
20 | 20 | 22 |
|
d1 |
3 | 4 | 5 |
|
d2 |
1.5 | 2 | 3 |
|
n |
1 | 1 | 1.5 |
প্রসারিত রিভেট ক্লিপ রিটেইনার একটি দরকারী প্লাস্টিক ফাস্টেনার। এটি একটি নিরাপদ, হালকা বিকল্প হিসাবে কাজ করে যা স্বাভাবিক ধাতব কটার পিনের পরিবর্তে মরিচা প্রতিরোধ করে।
এটি মূলত একটি নলাকার টুকরা যার মাঝখানে বিভক্ত। আপনি এটিকে একটি প্রি-ড্রিল করা গর্তের মধ্য দিয়ে রাখুন, তারপর ক্লিভিস পিন, শ্যাফ্ট বা লিঙ্কেজের মতো অংশগুলিকে জায়গায় রাখতে দুটি পা বাঁকিয়ে রাখুন৷ এই প্লাস্টিকের সংস্করণটি ধাতব জীর্ণ হয়ে যাওয়া, তীক্ষ্ণ প্রান্ত এবং গ্যালভানিক ক্ষয় হওয়ার মতো সমস্যাগুলি থেকে মুক্তি দেয়৷
প্রসারিত রিভেট ক্লিপ রিটেইনারের প্রধান উত্থানগুলি হল নিরাপত্তা, হালকা হওয়া এবং বিভিন্ন পরিবেশে ধরে রাখা।
ধাতব পিনের বিপরীতে, এটিতে তীক্ষ্ণ দাগের সমস্যা নেই যা এটিকে ভিতরে রাখার বা বের করার সময় আপনাকে কেটে ফেলতে পারে। এটি অনেকটা হালকা, যা মহাকাশ এবং গাড়ি ব্যবহারের জন্য অনেক গুরুত্বপূর্ণ।
আরও কী, প্রসারিত রিভেট ক্লিপ রিটেইনার স্বাভাবিকভাবেই মরিচা এবং ক্ষয় প্রতিরোধ করে। এটি ভেজা অবস্থানে, রাসায়নিকের আশেপাশে বা যেখানে বিদ্যুৎ অপর্যাপ্ত এবং যেখানে ধাতব সূঁচগুলি ত্রুটিযুক্ত হতে পারে বা সমস্যা সৃষ্টি করতে পারে সেখানে ব্যবহার করা যেতে পারে।

আমাদের প্রসারিত রিভেট ক্লিপ রিটেনারের শিয়ার শক্তির নির্দিষ্ট মান পিনের ব্যাস এবং নির্দিষ্ট উপাদান গ্রেডের উপর নির্ভর করে পরিবর্তিত হবে।
এটি প্রচুর কম্পন এবং চলমান লোড পরিচালনা করার জন্য ডিজাইন করা হয়েছে, যা যন্ত্রপাতি, গাড়ির যন্ত্রাংশ এবং সমাবেশ লাইনে সাধারণ।
উপাদানটিতে স্বাভাবিকভাবেই কিছু নমনীয়তা এবং স্প্রিংনেস রয়েছে, যা এটিকে শক শোষণ করতে সহায়তা করে। এটি অনেক কঠিন পরিবেশে এটিকে ধাতব পিনের জন্য একটি নির্ভরযোগ্য প্রতিস্থাপন করে, এটি সহজে পরিধান করে না এবং এটি সংযুক্ত অংশগুলির পরিধানও কম করে।
