প্লাস্টিকের প্রসারিত রিভেট ক্লিপগুলির প্রাকৃতিক বৈশিষ্ট্যগুলি এটিকে বিশেষ, নির্দিষ্ট ব্যবহারের জন্য ভাল করে তোলে। যেহেতু এটি বিদ্যুৎ সঞ্চালন করে না, তাই বৈদ্যুতিক বাক্স এবং উচ্চ-ভোল্টেজ এলাকায় এটি সত্যিই গুরুত্বপূর্ণ। এটি স্ফুলিঙ্গ তৈরি করে না, যা সত্যিই এমন জায়গায় প্রয়োজন যেখানে বিস্ফোরণ ঘটতে পারে (ATEX জোন)।
আপনি এমআরআই রুম এবং সংবেদনশীল ইলেকট্রনিক্সে এটি ছাড়া করতে পারবেন না, এমন জায়গা যেখানে ধাতব পিন থেকে এমনকি ছোট চৌম্বক ক্ষেত্র অনুমোদিত নয়।

একটি ভাল প্লাস্টিকের প্রসারণকারী রিভেট ক্লিপগুলি ধারাবাহিকভাবে কাজ করে তা নিশ্চিত করতে কঠোর পরীক্ষার মধ্য দিয়ে যায়। এই পরীক্ষাগুলি আকারের নির্ভুলতা, এটি কতটা টান নিতে পারে, এটি হিটগুলিকে কতটা ভালভাবে পরিচালনা করে এবং এটি বিভিন্ন রাসায়নিকের সাথে কাজ করে কিনা তা পরীক্ষা করে।
Xiaoguo® এর প্লাস্টিকের কটার পিনগুলি শিল্পের মান অনুযায়ী তৈরি করা হয় এমন উপকরণ ব্যবহার করে যা নির্দিষ্ট প্রয়োজনীয়তা পূরণ করে, কর্মক্ষমতা নিশ্চিত করে। তারা নিরাপদে এবং নিরাপদে তাদের উদ্দিষ্ট উদ্দেশ্যের জন্য বস্তুগুলিকে ধরে রাখে। ধাতব কটার পিনের তুলনায়, প্লাস্টিকের বেশি জারা-প্রতিরোধী এবং মরিচা-প্রতিরোধী।

সোম
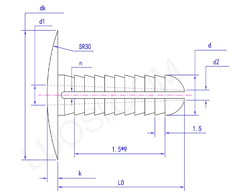
Φ6
Φ8
Φ10
d সর্বোচ্চ
6
8
10
d মিনিট
5.8
7.8
9.8
dk সর্বোচ্চ
16.2
16.2
18.2
dk মিনিট
15.8
15.8
17.8
k সর্বোচ্চ
1.6
1.6
2.1
k মিনিট
1.4
1.4
1.9
L0
20
20
22
d1
3
4
5
d2
1.5
2
3
n
1
1
1.5
আমাদের স্ট্যান্ডার্ড প্লাস্টিকের সম্প্রসারণকারী রিভেট ক্লিপগুলি এমন উপকরণ দিয়ে তৈরি যা RoHS এবং REACH সহ প্রধান আন্তর্জাতিক নিয়মগুলি মেনে চলে। আমরা খাদ্য যোগাযোগ অ্যাপ্লিকেশনের জন্য FDA-প্রত্যয়িত সংস্করণও অফার করি। অনুরোধের ভিত্তিতে সম্মতির শংসাপত্র পাওয়া যায়।
আমাদের উপকরণগুলি উত্পাদনের সময় বিশ্বব্যাপী মান অনুযায়ী সাবধানে নির্বাচন করা হয়, প্রাসঙ্গিক মানের মানগুলির সাথে সম্মতি নিশ্চিত করে এবং বিশ্বব্যাপী নিরাপদ রপ্তানি এবং ব্যাপক ব্যবহার নিশ্চিত করে।