পিসিবি বোর্ডের জন্য এই ইউএন রিভেটেড স্টাডগুলি সাধারণত কম-কার্বন বা স্টেইনলেস স্টিল বা অ্যালুমিনিয়ামের মতো ভাল ইস্পাত খাদ থেকে তৈরি করা হয়। তাদের শক্ত যান্ত্রিক শক্তি রয়েছে এবং সময়ের সাথে সাথে ভালভাবে ধরে রাখে।
ইস্পাত বেশী প্রসার্য এবং শিয়ার শক্তি প্রস্তাব. অন্যদিকে, অ্যালুমিনিয়ামগুলি সুন্দরভাবে বিদ্যুৎ পরিচালনা করে এবং হালকা।
এই স্টাডগুলির জন্য বেছে নেওয়া ধাতুর অর্থ হল যে তারা ভারী যান্ত্রিক লোড, গরম এবং শীতল চক্রের চাপ সহ্য করতে পারে এবং পণ্যটি ব্যবহার করা পুরো সময় শক্তিশালী থাকতে পারে।
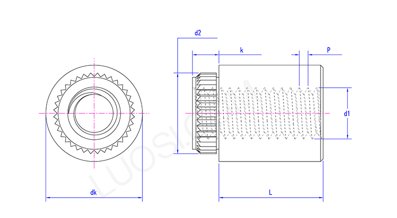
PCB বোর্ডের জন্য UN riveted stud হল একটি স্থায়ী এবং উচ্চ-শক্তির ফাস্টেনার যা প্রিন্টেড সার্কিট বোর্ডে (PCBs) একটি নির্ভরযোগ্য বাহ্যিক থ্রেডেড ফিক্সেশন পয়েন্ট প্রদান করতে ব্যবহৃত হয়। এখানে, "UN" সাধারণত "ইউনিফর্ম ন্যাশনাল স্ট্যান্ডার্ড" প্রতিনিধিত্ব করে, এটির কাছে থাকা স্ট্যান্ডার্ডাইজড স্ক্রু থ্রেড টাইপকে উল্লেখ করে (যেমন UNC বা UNF), যা বিভিন্ন স্ট্যান্ডার্ড বাদামের সাথে এর সামঞ্জস্য নিশ্চিত করে।
ইনস্টলেশন প্রক্রিয়া দ্রুত এবং দক্ষ. PCB বোর্ডে প্রি-ড্রিল করা গর্তে স্টাডটি ঢোকান। তারপরে, স্টাডের সমতল প্রান্তকে বিকৃত করতে একটি ডেডিকেটেড রিভেটিং টুল ব্যবহার করুন, যার ফলে এটি বাইরের দিকে প্রসারিত হয় এবং রিভেটের মাথা এবং কাঁধ বা স্টাডের ফ্ল্যাঞ্জের মধ্যে দৃঢ়ভাবে আঁকড়ে ধরে, এইভাবে ঢালাইয়ের প্রয়োজন ছাড়াই একটি শক্তিশালী এবং কম্পন-প্রতিরোধী সংযোগ তৈরি করে।
এই পদ্ধতিটি এমন পরিস্থিতিতে বিশেষভাবে উপযুক্ত যেগুলির জন্য বড় যান্ত্রিক চাপ সহ্য করার প্রয়োজন হয়, একাধিক প্লাগ-ইন অপারেশন করতে হয়, বা যেখানে ঢালাই দ্বারা উত্পন্ন তাপ সংবেদনশীল উপাদানগুলির ক্ষতি করতে পারে৷
পিসিবি বোর্ডের জন্য এই ইউএন রিভেটেড স্টাডগুলি কোল্ড ফর্মিং বা রিভেটিং পদ্ধতি ব্যবহার করে রাখা হয়।
আপনি পিসিবিতে একটি প্রি-ড্রিলড গর্তের মাধ্যমে স্টাডটি আটকে দিন। তারপরে একটি বিশেষ রিভেটিং টুল বোর্ডের নীচে একটি ডাইয়ের বিরুদ্ধে স্টাডের ঠোঁটকে বাঁকিয়ে দেয়, একটি স্থায়ী, ফ্লের্ড লক তৈরি করে যা এটিকে জায়গায় রাখে।
ঠান্ডা প্রক্রিয়াকরণ পদ্ধতি কম তাপ উৎপন্ন করে এবং পিসিবি ল্যামিনেট বা সার্কিট্রির ক্ষতি করবে না। সঠিকভাবে ইনস্টল করা হলে, স্টাডগুলি সার্কিট বোর্ডের কাঠামোর সাথে আপস না করে একটি শক্তিশালী এবং কম্পন-প্রতিরোধী ফিক্সেশন প্রদান করে।

| বাজার | রাজস্ব (পূর্ববর্তী বছর) | মোট আয় (%) |
| উত্তর আমেরিকা | গোপনীয় | 20 |
| দক্ষিণ আমেরিকা | গোপনীয় | 4 |
| পূর্ব ইউরোপ | গোপনীয় | 24 |
| দক্ষিণ-পূর্ব এশিয়া | গোপনীয় | 2 |
| আফ্রিকা | গোপনীয় | 2 |
| ওশেনিয়া | গোপনীয় | 1 |
| মধ্যপ্রাচ্য | গোপনীয় | 4 |
| পূর্ব এশিয়া | গোপনীয় | 13 |
| পশ্চিম ইউরোপ | গোপনীয় | 18 |
| মধ্য আমেরিকা | গোপনীয় | 6 |
| উত্তর ইউরোপ | গোপনীয় | 2 |
| দক্ষিণ ইউরোপ | গোপনীয় | 1 |
| দক্ষিণ এশিয়া | গোপনীয় | 4 |
| দেশীয় বাজার | গোপনীয় | 5 |